
Caratteristiche
Progettazione di cuscinetti in gomma vulcanizzata, economicamente.
Eccellente campo operativo per la visione.
Valvola idraulica rigenerativa per la velocità del braccio opzionale
Cuscinetto superiore braccio-scorrimento per una maggiore durata
Può estendersi 1,2 metri, è più flessibile e può gestire gli pneumatici in modo più efficace.

specificazione
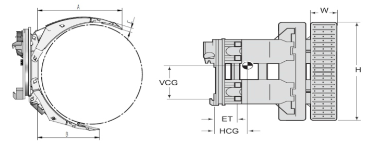
| Capacità | Modello | Classe di montaggio | Gamma di rotoli (mm) | Angolo di montaggio | Lunghezza del braccio lungo (Mm) | Lunghezza del braccio corto (Mm) | Spessore braccio lungo (Mm) | Dimensione tampone di contatto LxA (Mm) | Spessore effettivo (Mm) | Centro di gravità orizzontale (Mm) |
| 2000 | PTR20F-002A | II | 630-1300 | 0 gradi | 825 | 570 | 45 | 300x1500 | 197 | 282 |
| 2000 | PTR20F-002B | III | 630-1300 | 0 gradi | 825 | 570 | 45 | 300x1500 | 237 | 320 |
| 2000 | PTR20F-004A | II | 530-1500 | 0 gradi | 955 | 775 | 95 | 300x1500 | 197 | 280 |
| 2000 | PTR20F-004B | III | 530-1500 | 0 gradi | 955 | 775 | 95 | 300x1500 | 237 | 304 |
| 2000 | PTR20F-005A / B | II / III | 630-1600 | 0 gradi | 955 | 775 | 95 | 300x1500 | 183/216 | 301 |
| 2000 | PTR20F-007B | III | 680-1830 | 0 gradi | 1130 | 930 | 115 | 300x1500 | 239 | 445 |
| 2000 | PTR20F-008B | III | 380-1830 | 0 gradi | 1130 | 930 | 115 | 300x1500 | 239 | 445 |
Nota
Ottenere la capacità effettiva del carrello elevatore e degli accessori dal produttore del carrello elevatore.
Sono necessari due set di circuiti dell'olio aggiuntivi sul carrello elevatore.
L'altezza totale della tenuta del pneumatico è superiore a 1/2 dell'altezza della pastiglia e non può superare l'altezza della pastiglia.
Si prega di contattare le vendite di HUAMAI
Flusso e pressione idraulici
| Modello | Min. Flusso idraulico (L / min) | Rec. Flusso idraulico (L / min) | Portata idraulica max (L / min) | Min. Pressione idraulica (bar) | Max. Pressione idraulica (bar) |
PTR20F | 20 | 40 | 60 | 35 | 160 |
PTR30F | 20 | 40 | 60 | 35 | 160 |
PTR40F | 20 | 40 | 60 | 35 | 160 |
Specifiche del rotatore
| Modello | Velocità del rotatore | Coppia del rotatore |
| PTR20F | 5.2r/min@57L/min | 9000N.M@160Bar |
| PTR30F | 5.2r/min@57L/min | 9000N.M@160Bar |
| PTR40F | 4.1r/min@57L/min | 11000N.M@160Bar |
Opzioni
Campi di apertura personalizzati
Braccio corto posizionato o braccio corto fisso
Applicazione
I morsetti telescopici per pneumatici sono adatti a tutti i tipi di movimentazione di pneumatici, che prevedono operazioni di accatastamento, ampiamente utilizzati nell'industria dei pneumatici.
Info Veloci
Luogo di origine: Fujian, Cina (continente)
Marchio: HUAMAI
Numero del Modello: PTR20F-004B
Nome del prodotto: morsetti telescopici per pneumatici
Tipo: PTR20F-002A
Classe di montaggio: II
Gamma rotolo (mm): 630-1300 mm
Lunghezza del braccio lungo (mm): 825 mm
Lunghezza del braccio corto (mm): 570mm
Spessore braccio lungo (mm): 45mm
Spessore effettivo (mm): 197mm
Centro di gravità orizzontale (mm): 282 mm
Dimensione tampone di contatto LxA (mm): 300x1500mm










